문의하기
문의 양식
biwenqiang@tuoxin.xin
+86 13362746927
grace@tuoxin.xin
+86 17632006023
홈페이지
회사 소개
제품
링크 자물쇠
평면 자물쇠
손잡이 자물쇠
급수기 자물쇠
원통 자물쇠
전자 잠금 장치
트레일러 자물쇠
힌지
손잡이 시리즈
액세서리 부품
스테인리스강 제품
소식
인증
회사 현장
문의하기
English
中文版
로그인
그만두다
웹 사이트의 홈 페이지
>
제품 전시
>
힌지
>
링크 자물쇠
평면 자물쇠
손잡이 자물쇠
급수기 자물쇠
원통 자물쇠
전자 잠금 장치
트레일러 자물쇠
힌지
손잡이 시리즈
액세서리 부품
스테인리스강 제품
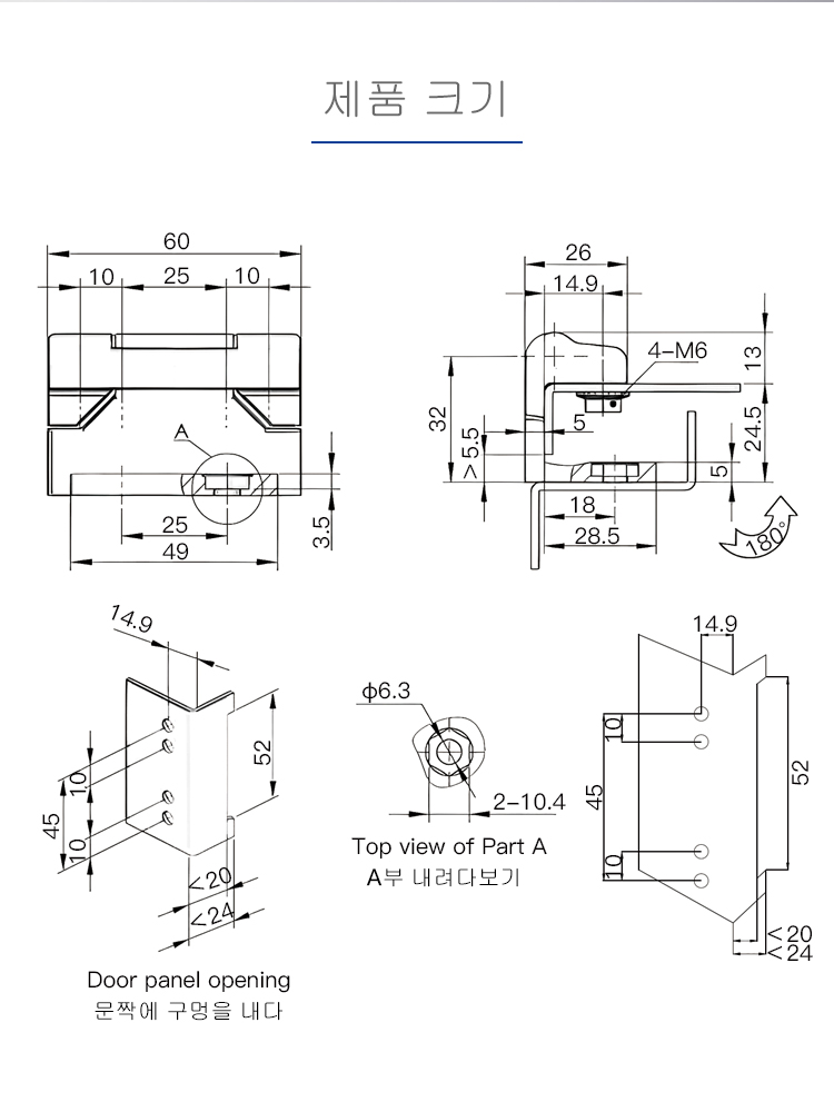
CL213-1
CL213-1 스위치 제어 캐비닛 힌지 네트워크 캐비닛 힌지 산업용 힌지 캐비닛 경첩
문의하기:
손명성:+86 13362746927biwenqiang@tuoxin.xin왕 메일리:+86 17632006023 grace@tuoxin.xin
991
CL213-1.zip
제품상세
추천상품
MORE
첫 장
제품
연결하다
회사 소개
회사는 주로 전자 자물쇠 시리즈, RV 자물쇠 시리즈, 플랫 자물쇠 시리즈, 커넥팅로드 자물쇠 시리즈, 핸들 자물쇠 시리즈, 원통형 자물쇠 시리즈, 물 자동 판매기 자물쇠 시리즈, 스테인레스 스틸 시리즈, 힌지 시리즈, 액세서리 시리즈, 자물쇠 막대 시리즈 등을 운영합니다.
세부
문의하기
URL : https://www.tuoxinlock.com
주소 : 중국 저장성 원저우 시